中文版
|
ENGLISH
首页
CSS HOME
ABOUT US
产品中心
BUSINESS
新闻中心
NEWS
ENTERPRISE
荣誉资质
HONOR
JOB
联系我们
CONTACT US
百度华东
BAIDU
产品中心
HB工业齿轮箱
圆柱齿轮减速机
硬齿面齿轮减速机
圆锥圆柱齿轮减速机
行星齿轮减速机
蜗轮蜗杆减速机
干粉压机专用减速机
RD系列连铸机用减速机
QTJ系列塔式起重机起升机构
起重机用减速机
磨机减速机
非标减速机系列
三合一减速电机
三环减速机
挤出机减速机
MC系列工业减速机
行星齿轮减速机
当前位置 :
首页
>
产品中心
>
行星齿轮减速机
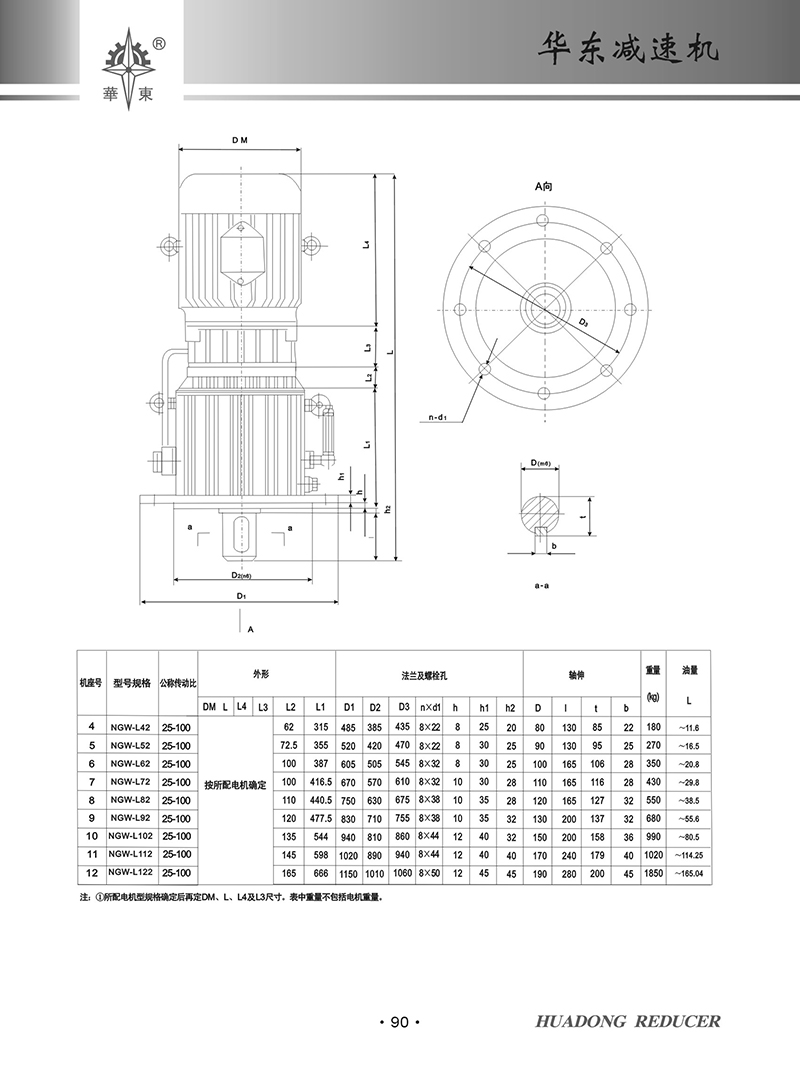
NGW系列行星齿轮减速
产品简介
:
新一代的星轮减速器是一种全新的内啮合齿轮传动装置,其先进的传动原理曾获国家发明奖及中、美、英三国发明专利权,机械部颁布了产品的技术标准。可广泛应用于冶金、矿山、电工、起重、运输、石化、轻工机械等设备上,特别是在重载连续传动领域,取得突破性的进展。实现了减速器内部传动机构的单元化、通用化和标准化,产品的可靠性和承载能力得到了很大提高,可在更大范围内满足用户的不同需求。
15961028858
产品介绍
上一篇:没有了!
下一篇:
NBD行星齿轮减速机
map